Products
The CA134 (144-134-000-612) is a piezoelectric accelerometer for machinery monitoring, detecting vibration signals.
Brand :
VMPart number :
CA134 144-134-000-612Description :
Piezoelectric AccelerometerOrigin :
SwitzerlandCondition :
NewDimension :
50 mm x 50 mm x 2100 mmWeight :
0.3 kgPayment :
Bank Transfer
CA134 144-134-000-612 Piezoelectric Accelerometer
Description
The CA134 is a high-temperature piezoelectric accelerometer from Parker Meggitt’s vibro-meter ® product line.
The CA134 sensor features a compression-mode measuring element with internal case insulation in a high-temperature nickel alloy case (housing).
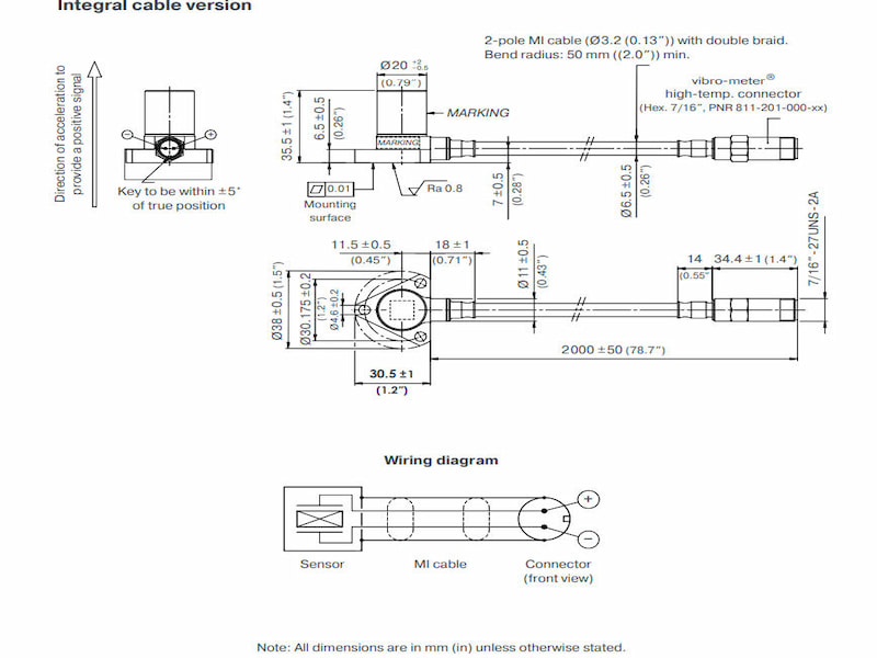
The CA134 is available as a sensor only or fitted with an integral mineral-insulated (MI) cable that is protected by a double braid and terminated with a vibro-meter ® high-temperature connector. The sensor and cable are hermetically welded to produce a sealed leaktight assembly. The sensor only version allows different cable assemblies to be used depending on the environmental/temperature requirements of the application.
All versions of the CA134 are Ex certified for installation in potentially explosive atmospheres (hazardous areas).
The piezoelectric material used and the design of the CA134 ensures an extremely stable and reliable device that is suitable for the long-term monitoring and measurement of vibration over wide temperature ranges in severe environments, such as gas turbines or cryogenic applications.
Features
• From the vibro-meter ® product line
• Sensitivity: 10 pC/g
• Frequency response: 0.5 to 6 000 Hz
• Temperature range:
−54 to 500 °C
−253 °C (20 K) to 500 °C for cryogenic version
• Ex certified for use in hazardous areas (potentially explosive atmospheres)
• Symmetrical sensor with internal case insulation and differential output
• Hermetically welded high-temperature nickel alloy case
• Available as a sensor only or with an integral cable
Technical Specifications
| Manufacturer | VM |
| Part Number | CA134 |
| Ordering Information | 144-134-000-612 |
| Product Catalog | Vibration Monitoring |
| Description | Piezoelectric Accelerometer |
| Voltage | 24 Vdc |
| Current | 25 mA |
| Dimensions | 79.4 mm x 54 mm x 36.5 mm |
| Weight | 170 g |

